FEATURES

  •  Rigid Construction with plastic body & cover 
  • Made in engineering plastic with high mechanical strength & heat sustenance capacity .
  •  Cable entry from side with provision of cable gland PG 13.5/ M 20 . 
  • Oil , water & dust proof .
  • Mechanical life - 1 Million & Electrical life - 0.5 Million
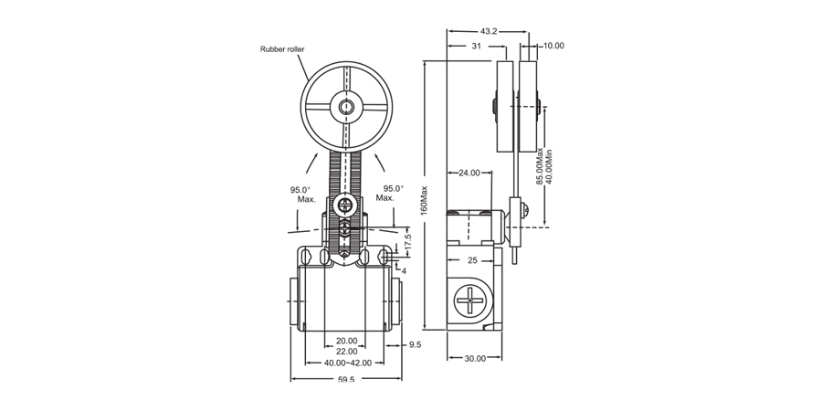
  • . Available in different actuators to suit different application . 
  • Contacts: Snap Action 1 NO + 1 NC