FEATURES

    • Rigid Construction with Plastic body .
    • Made in engineering plastic with high mechanical strength & heat sustenance capacity .
    • Cable entry from Bottom 
    • Additional accessories PVC Cap 
    • Mechanical life - 1 Million & Electrical life - 0.5 Million 
    • Available in different actuators to suit different application . 
    • Contacts: Snap Action 1 NO + 1 NC
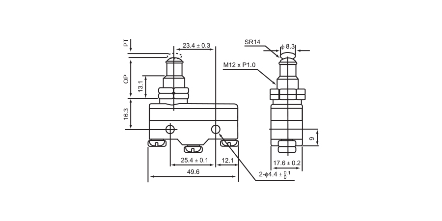
Plunger Switch Plunger Switch Plunger Switch

 

DOOR LIMIT SWITCHES  FOR AUTOMOBILES FROM ESBEE

Door LImit switches for automobiles from Esbee are used to control or regulate the functioning of the door. As the name suggests, the door limit switch is used for limiting the functioning of the door. Door limit switches from Esbee come in different categories and for technical specifications and details you can refer to the table for the reference.

  • Control of Quality: Every component of the product is thoroughly inspected from beginning to end, with a quality control check performed at each step. We use reliability and life cycle testing to provide the highest quality products from start to finish.
  • Value For Customer: Our quality control procedures are a major source of motivation for us because we won't supply any products to clients if they don't match the industry standard for quality. For the sake of quantity, we never sacrifice any aspect of quality or development.